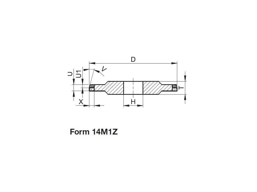
14M1Z 150x8x32 D 126 C100 B 48 AL/D 76 75 B48
Kód: 462889
Brúsne a rezné nástroje
pre profesionálov aj hobby majstrov

Doprava ZDARMA
pri objednávke nad 150€

Overená kvalita
produkty prispôsobíme na ručné, polo a plnoautomatické stroje

Viac ako 30 rokov na trhu
zákazková výroba pre výrobné firmy, veľkoobchod a maloobchod
Podrobný popis
Tento diamantový kotouč pojený umělou pryskyřicí je k dispozici v hrncovitém tvaru a jako obvodový kotouč. Vybírat můžete také z verzí s jednoduchou a dvojitou povrchovou vrstvou D126/D46. U kotoučů s dvojitým povrchem se kombinací dvou zrnitostí a vysoké koncentrace dosahuje velmi dobré kvality řezné hrany. Tento výrobek je k dispozici pro všechny běžné automatické smýkací stroje v průměrech 100-125 mm.
Diskusia
Buďte prvý, kto napíše príspevok k tejto položke.
